|
Move your way through the
1932 Chrysler Imperial CL Instruction Book
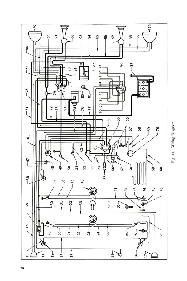
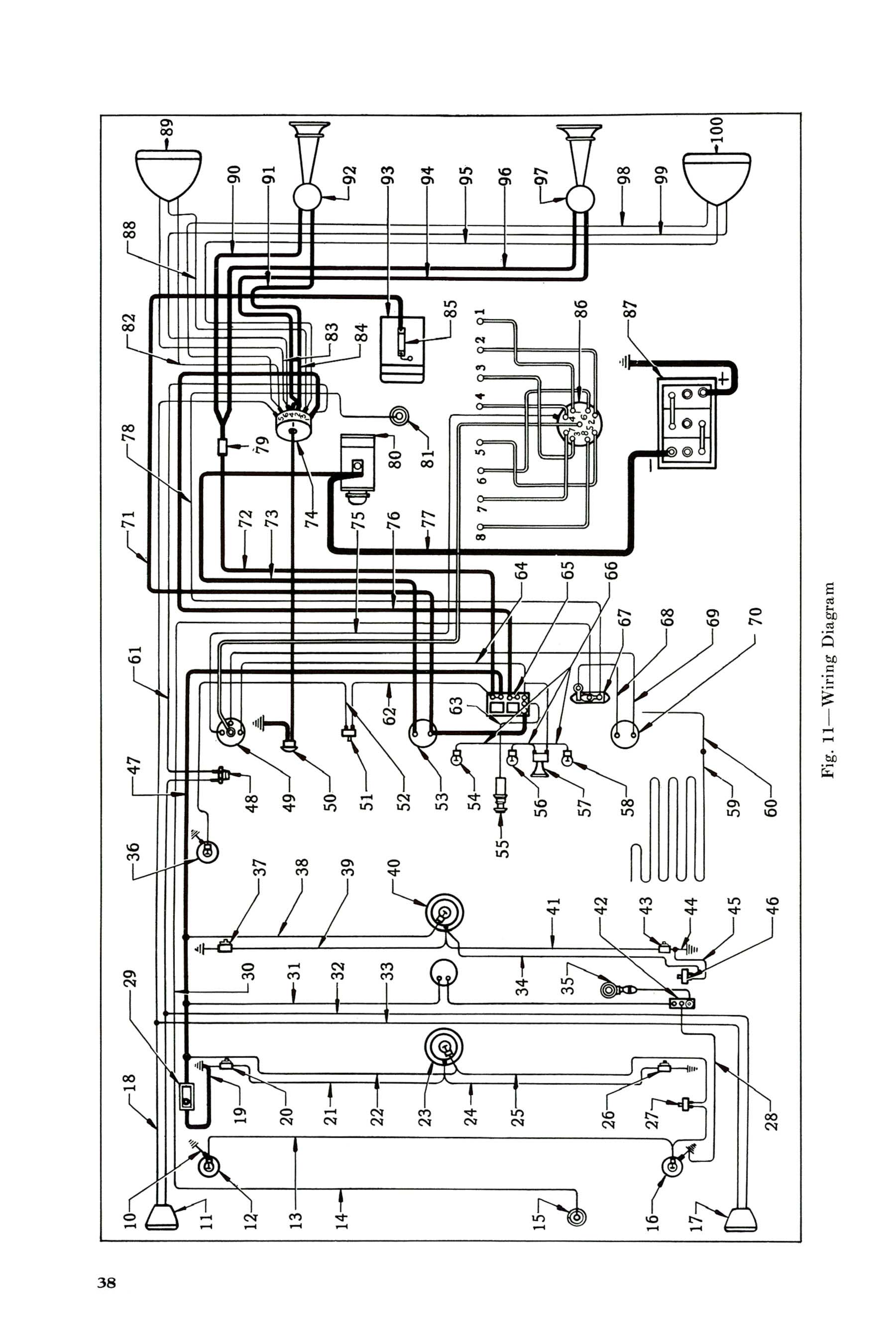
by choosing your next page. You are currently on Page 38: Wirning Diagram.
|
|
|
|
| Close this window to return to the Table of Contents. |
|
Go to Page 37
|
Go to Page 038r: Wirning Diagram (rotated)
|
We also have a much larger, printable
version of this page available. This booklet was originally 8.5" x 11". |